Wednesday, February 14, 2024

😃 Unlocking Power: 1996 Camaro Z28 Wiring Diagram Demystified

Discover the intricacies of the 1996 Camaro Z28 Wiring Diagram. Unravel the blueprint powering this iconic machine. Get insights on circuits, connections, and schematics.

In the realm of automotive enthusiasts, few names evoke as much nostalgia and admiration as the 1996 Camaro Z28. Renowned for its sleek design and formidable performance, this iconic model holds a special place in the hearts of many. However, beneath its muscular exterior lies a complex network of wiring and circuits, crucial to its operation. In this article, we delve into the intricacies of the wiring diagram for the 1996 Camaro Z28, exploring the blueprint that powers this legendary machine. From deciphering electrical connections to understanding schematics, we unravel the technical mysteries that underpin this automotive masterpiece. Join us as we embark on a journey through wires, circuits, and diagrams, shedding light on the engineering marvel that is the 1996 Camaro Z28.

Unlocking Power: 1996 Camaro Z28 Wiring Diagram Demystified

Introduction

Welcome to our exploration of the 1996 Camaro Z28 Wiring Diagram. In this article, we'll delve into the intricate world of automotive wiring diagrams and schematics, specifically focusing on this iconic model. Whether you're a seasoned mechanic or an enthusiast eager to understand the inner workings of your beloved Camaro, this guide aims to provide valuable insights.

Understanding Wiring Diagrams

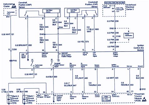
Understanding wiring diagrams is crucial for any automotive enthusiast or technician. These diagrams serve as blueprints, outlining the electrical connections and circuits within a vehicle. By deciphering these diagrams, one gains a comprehensive understanding of how various components interact and function.

Importance of Electrical Schematics

The electrical schematics of the 1996 Camaro Z28 provide invaluable insights into the vehicle's electrical system. Schematics offer a visual representation of the wiring layout, component locations, and their interconnections. This information is indispensable for diagnosing electrical issues, troubleshooting problems, and performing modifications.

Deciphering Symbols and Codes

Deciphering the symbols and codes used in wiring diagrams is essential for interpreting their meaning accurately. Each symbol represents a specific electrical component or connection, while codes indicate wire colors, gauges, and functions. Familiarizing oneself with these symbols and codes is the key to effectively navigating and understanding wiring diagrams.

Troubleshooting and Diagnostic Assistance

A wiring diagram serves as a valuable tool for troubleshooting and diagnostic assistance. When faced with electrical issues, referencing the appropriate wiring diagram can help pinpoint the root cause of the problem. By tracing circuits and identifying potential faults, technicians can expedite the repair process and ensure optimal vehicle performance.

Modifications and Customization

For enthusiasts seeking to customize their 1996 Camaro Z28, the wiring diagram serves as a roadmap for modifications. Whether installing aftermarket accessories, upgrading electrical components, or integrating new features, understanding the vehicle's wiring is essential. By consulting the wiring diagram, enthusiasts can ensure seamless integration and avoid potential pitfalls.

Maintenance and Repair

Maintenance and repair tasks are simplified with the aid of a comprehensive wiring diagram. Whether replacing faulty components, performing routine maintenance, or conducting electrical repairs, the wiring diagram provides invaluable guidance. With clear visual representations and detailed information, technicians can confidently tackle any task with precision and efficiency.

Conclusion

In conclusion, the 1996 Camaro Z28 Wiring Diagram serves as a vital resource for enthusiasts and technicians alike. From understanding electrical schematics to troubleshooting issues and implementing modifications, this guide offers valuable insights into the inner workings of this iconic vehicle. By leveraging the information provided in wiring diagrams, individuals can enhance their understanding and appreciation of automotive electronics.

Conclusion:

As we conclude our exploration of the 1996 Camaro Z28 Wiring Diagram, we hope you've gained valuable insights into the intricate world of automotive electronics. From understanding the significance of wiring diagrams and electrical schematics to deciphering symbols and codes, this journey has provided a comprehensive overview of the 1996 Camaro Z28's electrical system. Whether you're a seasoned enthusiast or a novice technician, the information presented here serves as a valuable resource for navigating the complexities of vehicle wiring.

Remember, the wiring diagram is more than just a technical document—it's a roadmap to understanding the inner workings of your vehicle. Whether you're troubleshooting electrical issues, performing modifications, or simply seeking to deepen your knowledge, the wiring diagram is your guide. By leveraging the insights gained from this exploration, you can confidently tackle maintenance, repairs, and customization projects with precision and efficiency. We invite you to continue exploring our blog for more in-depth articles and resources on automotive electronics and mechanics. Until next time, happy wrenching!

Keyword:1996 Camaro Z28 Wiring Diagram

Related Keywords:Troubleshooting, Wiring Diagram, Electrical Schematics, Automotive Electronics, 1996 Camaro


No comments:

Post a Comment