Saturday, February 17, 2024

🚀 Unlock the Secrets: 1996 Chevy S10 Wiring Diagram Decoded

Discover the comprehensive guide to decoding the 1996 Chevy S10 Wiring Diagram. Explore intricate electrical schematics and unravel the mysteries of your vehicle's circuitry.

In the intricate world of automotive engineering, 1996 Chevy S10 Wiring Diagram serves as a roadmap to decipher the electrical intricacies of this iconic vehicle. Delving into the realm of wiring diagrams and schematics, this article embarks on an enlightening journey through the veins of automotive electronics. Buckle up as we unravel the mysteries behind the circuitry that powers the 1996 Chevy S10.With meticulous detail, this exploration navigates the intricate pathways of wires and connections, shedding light on the intricate network that orchestrates the functionality of this classic vehicle. From ignition systems to lighting circuits, each component is meticulously dissected, offering enthusiasts and technicians alike a comprehensive understanding of the vehicle's electrical architecture. Join us as we decode the language of electrons and currents, uncovering the blueprint that breathes life into the 1996 Chevy S10.

Unlock the Secrets: 1996 Chevy S10 Wiring Diagram Decoded

Understanding Wiring Diagrams and Schematics

Understanding Wiring Diagrams

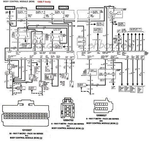
Wiring diagrams and schematics serve as blueprints for understanding the electrical systems within vehicles like the 1996 Chevy S10. These diagrams map out the intricate network of wires, connectors, and components, providing a visual representation of how electricity flows throughout the vehicle.

The Importance of Wiring Diagrams

Importance of Wiring Diagrams

Wiring diagrams are indispensable tools for diagnosing electrical issues and performing repairs on vehicles. They offer a comprehensive overview of the vehicle's electrical system, helping technicians troubleshoot problems efficiently and accurately.

Anatomy of a Wiring Diagram

Anatomy of a Wiring Diagram

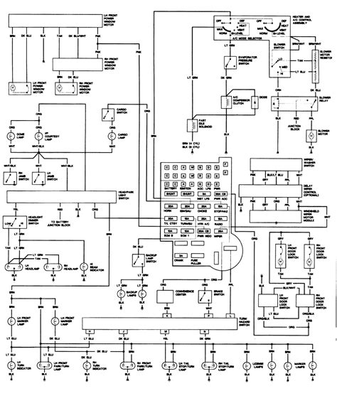
A typical wiring diagram consists of various symbols representing different electrical components such as switches, relays, and wires. These symbols are interconnected by lines indicating the pathways of electrical currents, facilitating easy interpretation of the diagram.

Interpreting Symbols and Codes

Interpreting Symbols and Codes

Understanding the symbols and codes used in a wiring diagram is essential for accurately deciphering its contents. Each symbol corresponds to a specific electrical component or function, allowing technicians to identify and trace circuits with precision.

Common Components in a Wiring Diagram

Common Components in a Wiring Diagram

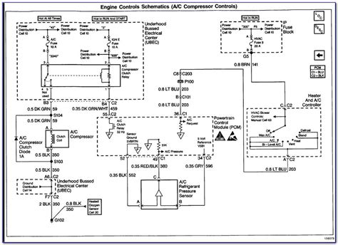
Wiring diagrams often feature common components found in vehicles, such as ignition systems, lighting circuits, and power distribution panels. By familiarizing themselves with these components, technicians can efficiently navigate and troubleshoot electrical systems.

Tracing Circuits and Troubleshooting

Tracing Circuits and Troubleshooting

One of the primary purposes of a wiring diagram is to assist technicians in tracing circuits and diagnosing electrical problems. By following the pathways indicated in the diagram, technicians can identify faulty components or connections and implement appropriate repairs.

Application in Vehicle Modifications

Application in Vehicle Modifications

Wiring diagrams are not only useful for repairs but also play a crucial role in vehicle modifications and upgrades. Whether installing aftermarket accessories or customizing electrical systems, referencing a wiring diagram ensures proper integration and functionality.

Conclusion

Conclusion

In summary, wiring diagrams are invaluable resources for understanding and troubleshooting the electrical systems of vehicles like the 1996 Chevy S10. By mastering the art of interpreting these diagrams, technicians can efficiently diagnose issues, perform repairs, and enhance vehicle functionality.

Conclusion:

Thank you for taking the time to explore the intricacies of the 1996 Chevy S10 Wiring Diagram with us. We hope that this comprehensive guide has provided you with valuable insights into understanding the electrical systems of your vehicle. Whether you're a seasoned technician or an enthusiastic DIYer, wiring diagrams are essential tools for diagnosing and repairing electrical issues effectively.

As you continue your journey with automotive electronics, remember that wiring diagrams serve as blueprints for unraveling the mysteries of your vehicle's electrical system. With patience and diligence, mastering the art of interpreting these diagrams will empower you to tackle electrical challenges with confidence. Stay tuned for more informative content and practical tips to enhance your automotive knowledge and skills.

Keyword:1996 Chevy S10 Wiring Diagram

Related Keywords:Troubleshooting, Wiring Diagrams, Electrical Systems, circuits, Vehicle Modifications, 1996 Chevy, Symbols.


No comments:

Post a Comment